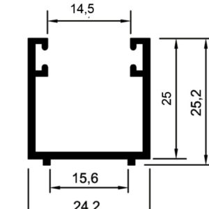
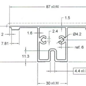
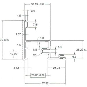
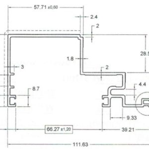
Perfil Diversos
Os perfis de alumínio para vidro temperado são uma solução ideal para proporcionar alta qualidade nos projetos de construção civil. Eles podem ser usados em janelas, vitrines e box para banheiro, que são instalados com segurança e altíssima qualidade graças ao perfil de alumínio.
Quais as vantagens dos perfis de alumínio para temperados
A substituição da madeira por perfis de vidro temperado em portas e janelas possibilita a diminuição de manutenção, além da obtenção de um visual mais moderno e limpo.
Para quem gosta da cor amadeirada, existe a pintura com efeito amadeirado. Já para box de banheiro, os perfis podem ser utilizados em box de acrílico ou box de vidro temperado, em substituição as cortinas de plástico.
Além das variadas opções de uso na construção, os perfis de alumínio também se destacam devido:
· A durabilidade;
· A simples reciclagem;
· A estética moderna;
· A alta qualidade.
Presente em inúmeros componentes industriais, o alumínio é altamente resistente à corrosão, possui longa vida útil, é impermeável, flexível, além de ser leve, bonito e contar com diferentes opções de acabamento. Por isso, os perfis de alumínio para vidro temperado se tornam a melhor opção.

















